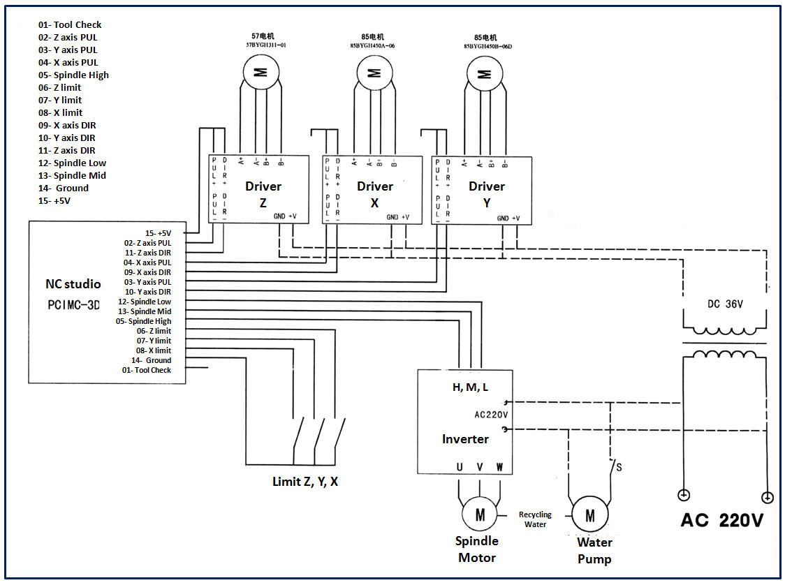
Здравствуйте! Неприятно обнаружил что у моего станка Halk6090Table отсутствует концевик на оси Y (вообще)! Таким образом обнулить машинные координаты автоматически не получится! Выполняю команду "Move to Reference Point" сначала для оси Z, потом X. Затем увожу портал в "-Y" почти до самого начала и вручную обнуляю ось Y.
Хотелось бы знать это только у моего станка так или вообще концевик не предусмотрен на оси Y?
Хотелось бы знать это только у моего станка так или вообще концевик не предусмотрен на оси Y?
