Подключение со2 трубки к lmc-v4-m

Алекс_1

Новый пользователь
Добрый день , подскажите как подключить ВВ блок к этой плате?
Сначала стояла плата LMCUSB
9713-83252410123931b1dad383033cb2194f.jpg

На ней подключено следующим образом, пины на карте подписаны как в мануале, основные №3 №10 не подписаны, возможно мануал вообще не от неё, хотя педаль и поворотку по ним удалось подключить.
И может подключение было не корректное ибо не получилось маркировать растр.
9714-e158be18770e329dbf040a455b60c200.jpg

Потом прислали другую плату LMC-V4-M
9715-490a3e0767d7b7bb3526d6bc49ca7968.jpg

В мануале к этой карте распиновка другая
9716-ce2e02a84cfca0e5b2c5d77b2f31596b.jpg

Вопрос как подключить к новой плате и настроить маркировку растра?
 

Вложения

  • card1.jpg
    card1.jpg
    179,3 KB · Просмотры: 638
  • Conect1.jpg
    Conect1.jpg
    51,5 KB · Просмотры: 674
  • card2.jpg
    card2.jpg
    167,1 KB · Просмотры: 615
  • Conect2.jpg
    Conect2.jpg
    142,9 KB · Просмотры: 629

Алекс_1

Новый пользователь
Сейчас работает. То есть с платой usblmc и подключением как на рисунке
 

halkru

Константин
Главное сообщите - в других режимах работает? Штриховка и маркировка с разными мощностями.
 

Алекс_1

Новый пользователь
Главное сообщите - в других режимах работает? Штриховка и маркировка с разными мощностями.
Да, сейчас стоит вот такая плата
card1.jpg

Подключено вот таким образом
3.jpg

При этом работает штриховка и маркировка (резка по контуру) с разными мощностями.
При этом на этой USBLMC Карте есть разьем для подключения лазеров
Card1-2.jpg

Но он не используется.
 

Алекс_1

Новый пользователь
Тогда все верное работает, получается. Вы хотите добиться растровой гравировки или перейти на другую плату?
Я об этом и говорю, но сейчас стоит задача поменять карту на новую
Вот такую, я так понимаю что это оригинал.
card2.jpg

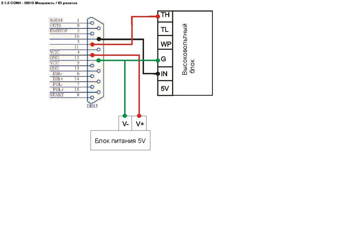
Вопрос был , как подключить ВВ блок к этой плате.
Вот таким образом можно?
Conect2-2.jpg
 

Алекс_1

Новый пользователь

MaxiMarker

Профи
Еще подскажите где выставляются временные задержки
В описании для программы (EzCad2) всё достаточно внятно написано, как выставить правильно временные задержки. Обсуждалось на этом форуме уже не раз...
все таки хочется настроить маркировку растра
Для растра есть своя коррекция задержек, если используется двунапрвленная штриховка. Опять же в описании это присутствует. Даже с картинками.
 

MaxiMarker

Профи
Плюс, для работы с растром используется другой алгоритм ... Растр - это не вектор. И это надо всегда учитывать. Там свои законы...
 

Алекс_1

Новый пользователь
Посмотреть вложение 9475
Попробуйте эти параметры - у нас гравирует. Это на вскидку ...
Спасибо большое за ответы. получилось подключить новую плату (оригинал). Сижу разбираюсь с настройками


В описании для программы (EzCad2) всё достаточно внятно написано, как выставить правильно временные задержки. Обсуждалось на этом форуме уже не раз...
Для растра есть своя коррекция задержек, если используется двунапрвленная штриховка. Опять же в описании это присутствует. Даже с картинками.
Наверное вы имеете в виду описание вашего ПО MaxiMarker). Я даже не сомневаюсь что там всё внятно и с картинками, мне же приходится обходится переводом обычного мануала и методом проб и ошибок. Но спасибо даете направление.

Плюс, для работы с растром используется другой алгоритм ... Растр - это не вектор. И это надо всегда учитывать. Там свои законы...
Вот сейчас и пытаюсь определить эти законы, раньше общался только с координатными лазерными станками, там попроще.

А есть у кого нибудь примеры гравировки на дереве, хочется понять отличие работы стеклянной трубки и RF лазера?
 
Сверху