MaxiMarker
Профи
Да... LDesigner 5.0 не самая простая программа для освоения. Особенно с терминологией создатели постарались (например рамка красного пилотного лазера у них называется "Джойстик" ))).
Ваш случай, конечно особенный. Судя по фотографиям Вашу установку собирали из комплектующих фирмы Атеко, а не приобретали её целиком. Или за время эксплуатации она сменила не одного хозяина и часть оригинальных частей была утеряна... Крышка и корпус суппорта коллиматора где родные ??? Почему там стоит какой то самодельный, вырезанный из прозрачного пластика короб ? В такой, конечно, и не жалко мебельные саморезы ввернуть... Но всё же хотелось бы взглянуть на сам корпус. У вас должно быть что то вроде этого, если это действительно продукт от Атеко:
Теперь по настройке попадания лазерного луча на поверхность отклоняющей системы. В идеале луч (основного лазера и красного пилотного) должен попадать в геометрический центр 1-го зеркала, далее отклоняясь от него попадать в центр 2-го зеркала (но не всегда геометрический). Речь идёт о нулевом положении зеркал в состоянии покоя. Положения луча на первом зеркале можно частично отрегулировать положением коллиматора (в вашем случае вы это сделали не совсем гуманным способом с помощью саморезов), а можно и положением мотора с зеркалом (как правило, только вверх или низ - тут всё зависит от конструкции сканаторной головки), ослабив его крепление и задав ему новое положение.
Кстати, если вы уж полезли регулировать положение лазерного луча на отклоняющей системе сканаторов, то неплохо было бы в целом понять - как там оно всё работает. В описании к вашей программе (L-Designer) есть неплохая картинка, взглянув на которую многое можно понять. Почитайте описание то - это всегда полезно... А картинка - вот она:
Такая регулировка подходит только для источников лазера, у которых красный пилотный лазер установлен уже внутри (большинство лазерных источников IPG используют именно такую схему). В другом случае, когда основной лазерный луч и красный пилотный проходят через так называемый "комбайнер" (laser beam combiner) всё гораздо сложнее... так как главным условием должна быть их параллельность и нерасходимость на выходе из такого устройства. На глаз вы это никогда не отстроите, так как длина волны основного лазера (1064 нМ) не видима для человеческого глаза. Для этого используется специальная техника и методики. К тому же диаметр коллимированного луча основного лазера 6-9 мм (именно такой он попадает на зеркала и далее на фокусировочную F-Theta линзу), а диаметр лучика красного лазера 1-1,5 мм.
Можно заметить, что для первого зеркала допускается небольшое отклонение луча от геометрического центра. Поэтому зеркала делают всегда заведомо большего размера, чем диаметр попадающего на них коллимированного пучка лазера. Тем более, что на первом зеркале не происходит движения (смены позиционирования) попадающего на него лазера - вращается сам мотор с зеркалом, а луч всегда бьёт в одно место.
На качественных сканаторных головках стоят зеркала с хорошим и стойким покрытием (обычно выдерживающих большие мощности излучения с многократным превышением). В вашем случае, если первое зеркало оказалось настолько критично к положению на нём лазерного луча, то можно предположить (но не утверждать) что покрытие начало разрушаться. Что и сказывается на конечном результате - нестабильность воздействия на материал.
Тоже самое можно сказать и про второе зеркало. Оно, кстати участвует в формировании проекции куда больше, так как луч , отклонённый 1-м зеркалом может перемещаться по 2-му зеркалу на большей площади. Именно поэтому второе зеркало больше по размеру, чем первое.
Ваш случай, конечно особенный. Судя по фотографиям Вашу установку собирали из комплектующих фирмы Атеко, а не приобретали её целиком. Или за время эксплуатации она сменила не одного хозяина и часть оригинальных частей была утеряна... Крышка и корпус суппорта коллиматора где родные ??? Почему там стоит какой то самодельный, вырезанный из прозрачного пластика короб ? В такой, конечно, и не жалко мебельные саморезы ввернуть... Но всё же хотелось бы взглянуть на сам корпус. У вас должно быть что то вроде этого, если это действительно продукт от Атеко:
Теперь по настройке попадания лазерного луча на поверхность отклоняющей системы. В идеале луч (основного лазера и красного пилотного) должен попадать в геометрический центр 1-го зеркала, далее отклоняясь от него попадать в центр 2-го зеркала (но не всегда геометрический). Речь идёт о нулевом положении зеркал в состоянии покоя. Положения луча на первом зеркале можно частично отрегулировать положением коллиматора (в вашем случае вы это сделали не совсем гуманным способом с помощью саморезов), а можно и положением мотора с зеркалом (как правило, только вверх или низ - тут всё зависит от конструкции сканаторной головки), ослабив его крепление и задав ему новое положение.
Кстати, если вы уж полезли регулировать положение лазерного луча на отклоняющей системе сканаторов, то неплохо было бы в целом понять - как там оно всё работает. В описании к вашей программе (L-Designer) есть неплохая картинка, взглянув на которую многое можно понять. Почитайте описание то - это всегда полезно... А картинка - вот она:
Такая регулировка подходит только для источников лазера, у которых красный пилотный лазер установлен уже внутри (большинство лазерных источников IPG используют именно такую схему). В другом случае, когда основной лазерный луч и красный пилотный проходят через так называемый "комбайнер" (laser beam combiner) всё гораздо сложнее... так как главным условием должна быть их параллельность и нерасходимость на выходе из такого устройства. На глаз вы это никогда не отстроите, так как длина волны основного лазера (1064 нМ) не видима для человеческого глаза. Для этого используется специальная техника и методики. К тому же диаметр коллимированного луча основного лазера 6-9 мм (именно такой он попадает на зеркала и далее на фокусировочную F-Theta линзу), а диаметр лучика красного лазера 1-1,5 мм.
Прохождение основного и пилотного лазеров через зеркало комбайнера
Примерная оптическая схема прохождения и отклонения лучей основного и красного лазеров в...
Можно заметить, что для первого зеркала допускается небольшое отклонение луча от геометрического центра. Поэтому зеркала делают всегда заведомо большего размера, чем диаметр попадающего на них коллимированного пучка лазера. Тем более, что на первом зеркале не происходит движения (смены позиционирования) попадающего на него лазера - вращается сам мотор с зеркалом, а луч всегда бьёт в одно место.
На качественных сканаторных головках стоят зеркала с хорошим и стойким покрытием (обычно выдерживающих большие мощности излучения с многократным превышением). В вашем случае, если первое зеркало оказалось настолько критично к положению на нём лазерного луча, то можно предположить (но не утверждать) что покрытие начало разрушаться. Что и сказывается на конечном результате - нестабильность воздействия на материал.
Тоже самое можно сказать и про второе зеркало. Оно, кстати участвует в формировании проекции куда больше, так как луч , отклонённый 1-м зеркалом может перемещаться по 2-му зеркалу на большей площади. Именно поэтому второе зеркало больше по размеру, чем первое.



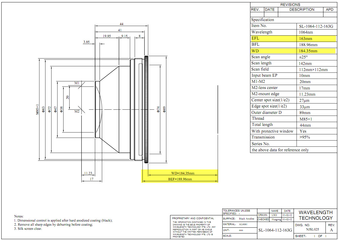
Это не фокусное расстояние линзы (в его правильном понимании) , а так называемая "рабочая дистанция" (working distance). Это частая ошибка, когда называют это фокусным расстоянием... просто так удобнее для многих.
. Потому что рабочая дистанция для этой линзы составляет 302 мм. Разница, как видите, в 42 мм. Поэтому EFL (или иногда на линзе указывают просто f) скорее технологический параметр и простого пользователя может сбить с толку. Конечно, гораздо важнее параметр рабочей дистанции. Но он, в подавляющем большинстве случаев, на линзах никогда не указывается.