Подключение блока питания к DSP системе упраления

Pahan

Участник
Здравствуйте.
Прошу помощи. Нужна схема подключения вот такого
ВВ БП.jpg
высоковольтного блока питания к DSP системе управления.

Свою старую RISC систему упраления я подклюючал вот так.
img768.jpg
 

halkru

Константин
Посмотрите, TTL должен подходить через оптопару, она установлена на низковольтном БП
 

Pahan

Участник
Не пойму о чем вы говорите. Оптопару на низковольтном блок питания (если она там вобще есть) я не использую и не использовал раньше. На высоковольтном блоке питания уже установлена оптопара.
 

halkru

Константин
С подключением PWM можно повременить, подвесив сначала DSP, или координатный стол работает уже? Приветствую, Юрий.
 

halkru

Константин
Не пойму о чем вы говорите. Оптопару на низковольтном блок питания (если она там вобще есть) я не использую и не использовал раньше. На высоковольтном блоке питания уже установлена оптопара.

Посмотрите разводку, плата управления соединена с низковольтным блоком питания, на котором и установлен оптрон.. может я что путаю, но насколько помню, это так..
 

Pahan

Участник
Координатный стол уже работает. Были проблемы с подключением старых биполярных ШД к моим драйверам, но все удалось быстро поправить. Переделывал чуток механику. Пришлось рискнуть поставить два шаговика на одну ось. Но как не странно все работает. Подключение к компьютеру прошло успешно. Сейчас стоит проблема подключение ВВ БП лазера.
На фото – это высоковольтный блок питания, а не низковольтный!
 

Pahan

Участник
Оригинально, а зачем, и куда?

На оси Х стоял биполярный ШД с двумя валами. Мой драйвер не может управлять биполярными ШД. Только униполярными. Униполярники были только с одним валом. Вот и пришлось поставить 2 двигателя.
 

Pahan

Участник
Я увидел эту оптопару.
Но зачем изпользовать еще одну оптопару, когда есть такая же на ВВ БП ?!
Тогда получится от пути процесора ситемы управляния до процесора PWM блока питания 3 (три !!!) оптопары.
Зачем это делать? Две оптопары достаточно!
 

Pahan

Участник
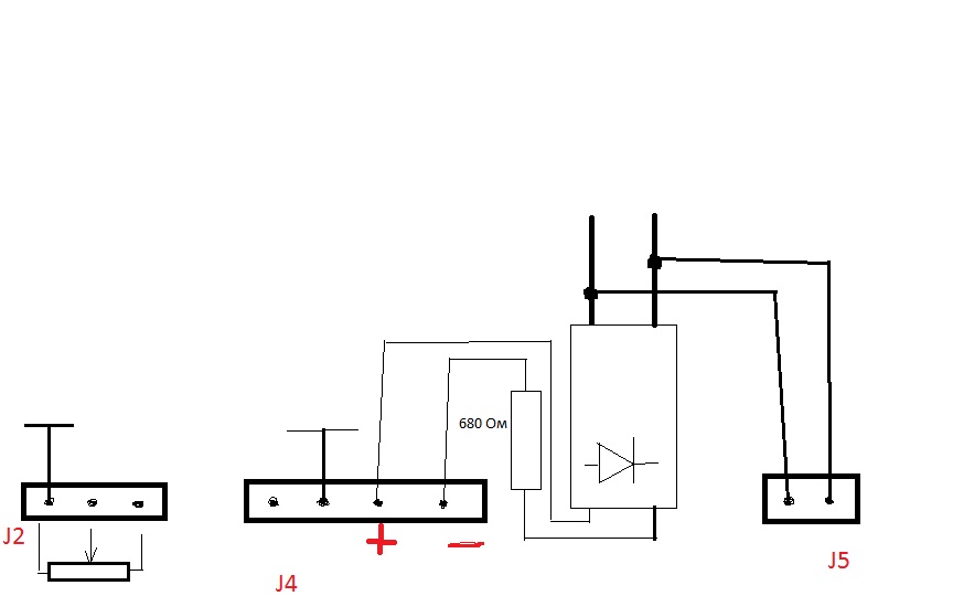
Оптопара у меня не открывается. С DSP на нее подается напряжение 1,35 в. При нажатии на кнопку PULSE? не чего не происходит. Оптопара не открывается и напряжение на сигнальном контакте не поднимается. В чем может быть проблема?
 

Pahan

Участник
Есть еще один момент. На холостом ходу, когда к разъему управления лазером, не подключено не чего, между землей и контактом включения лазера есть напряжение 5в. Но как только подключить оптопару ВВ БП, то напряжение падает до 1,35.
 

halkru

Константин
Да, это понятно... следует уделить внимание DIR4 или DIR3 используется, т.к. система для двух голов, по моему это то-же может иметь значение
 
Сверху